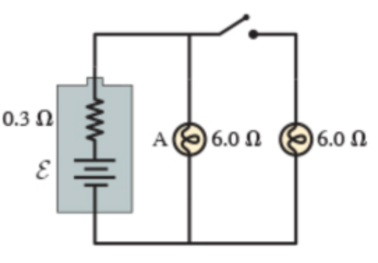
Problem 23.60
If the battery in (Figure 1 ) were ideal, lightbulb A would not dim when the switch is closed. However, real batteries have a small internal resistance, which we can model as the 0.3Ω resistor shown inside the battery. In this case, the brightness of bulb A changes when the switch is closed. Assume E=2.0 V.

Part A
How much power does bulb A dissipate when the switch is open?
Part B
How much power does bulb A dissipate when the switch is closed?
In: Physics
Prepare the Closing Entries necessary to close out the Statement of Activities
NOTE: Each general ledger account from the Statement of Activities gets closed out to one of two accounts: Either a) Net Assets With Donor Restrictions OR b) Net Assets WITHOUT Donor Restrictions.
These are both balance sheet accounts.
Transaction 1: The DONOR gives you $2,000 cash to use for scholarships
Transaction 2: The DONOR given you $1,000 and you can use it for any programs
Transaction 3: The NFP pays out $2,000 for scholarship expenses
Journal Entry: DEBITS CREDITS
Cash $2,000
Contribution (Restricted by Donor) $2,000 (needs to be closed)
Cash $1,000
Contribution (Not Restricted) $1,000 (needs to be closed)
Net Assets Released-Donor Restriction $2,000 (needs to be closed)
Net Assets Released-Without Donor Restriction $2,000 (needs to be closed)
Expenses-Scholarships $2,000 (needs to be closed)
Cash $2,000
Statement of Activities (dollars are in CREDITS)
For the Year Ended 2019 CONTRIBUTIONS CONTRIBUTIONS
Unrestricted Restricted By Donor
Contributions (not restricted) $1,000
Contributions (restricted) $2,000
Net Assets Released-Donor Restrictions ($2,000)
Net Assets Released-Without Donor Restrictions $2,000
Expenses ($2,000)
CHANGE IN ACTIVITIES FOR THE YEAR: $1,000 -0- $1,000 total
Balance Sheet As of December 31, 2019
Cash $1,000
Net Assets without Donor Unrestricted $1,000
In: Accounting
Every so often a management idea escapes from the pages of the Harvard Business Review and becomes part of the zeitgeist. In the 1990s it was “re-engineering”. Today it is “disruptive innovation”. TechCrunch, a technology-news website, holds an annual “festival of disruption”. CNBC, a cable-news channel, produces an annual “disruptor list” of the most disruptive companies. Mentioning “disruptive innovation” adds a veneer of sophistication to bread-and-butter speeches about education or health care. But just what is disruptive innovation?
The theory of disruptive innovation was invented by Clayton Christensen, of Harvard Business School, in his book “The Innovator’s Dilemma”. Mr Christensen used the term to describe innovations that create new markets by discovering new categories of customers. They do this partly by harnessing new technologies but also by developing new business models and exploiting old technologies in new ways. He contrasted disruptive innovation with sustaining innovation, which simply improves existing products. Personal computers, for example, were disruptive innovations because they created a new mass market for computers; previously, expensive mainframe computers had been sold only to big companies and research universities.
The “innovator’s dilemma” is the difficult choice an established company faces when it has to choose between holding onto an existing market by doing the same thing a bit better, or capturing new markets by embracing new technologies and adopting new business models. IBM dealt with this dilemma by launching a new business unit to make PCs, while continuing to make mainframe computers. Netflix took a more radical move, switching away from its old business model (sending out rental DVDs by post) to a new one (streaming on-demand video to its customers). Disruptive innovations usually find their first customers at the bottom of the market: as unproved, often unpolished, products, they cannot command a high price. Incumbents are often complacent, slow to recognize the threat that their inferior competitors pose. But as successive refinements improve them to the point that they start to steal customers, they may end up reshaping entire industries: classified ads (Craigslist), long distance calls (Skype), record stores (iTunes), research libraries (Google), local stores (eBay), taxis (Uber) and newspapers (Twitter).
Partly because of disruptive innovation, the average job tenure for the CEO of a Fortune 500 company has halved from ten years in 2000 to less than five years today. There is good reason to think that the pace of change will increase, as computer power increases and more things are attached to the internet, expanding its disruptive influence into new realms. Google promises to reinvent cars as autonomous vehicles; Amazon promises to reinvent shopping (again) using drones; 3D printing could disrupt manufacturing. But perhaps the most surprising disruptive innovations will come from bottom-of-the-pyramid entrepreneurs who are inventing new ways of delivering education and health-care for a fraction of the cost of current market leaders.
QUESTIONS
If every new product has a first-mover advantage, then why do products fail?
Do you view 3D printing as sustaining or disruptive technology? Choose one of the products listed and determine what the company could have done to prevent the product from failing.
Can you name another technology product that failed? Why did it fail? What could the company have done differently for it to succeed?
In: Operations Management
Austin Peay State, a university near Nashville, Tennessee, is applying a data-mining approach to higher education. Before students register for classes, a robot looks at their profiles and transcripts and recommends courses in which they are likely to be successful or have higher chances of success. The software takes an approach similar to the ones Netflix, eHarmony, and Amazon use to make their recommendations. It compares a student’s transcripts with those of past students who had similar grades and SAT scores. When a student logs in, the program offers 10 “Course Suggestions for You.” This recommendation is based on the student’s major and other information related to that student. The goal is to steer students toward courses in which they will make better grades. According to Tristan Denley, a former programmer turned math professor turned provost, students who follow the recommendations do substantially better. In the fall of 2011, 45 percent of the classes that students were taking had been on their top 10 recommendations list. This data-mining concept is catching on. Three other Tennessee colleges now use Denley’s software. Institutions outside the state are developing their own versions of the idea.
In: Computer Science
In 2008, a project requires an initial cost of -$250 and next year, in 2009, the investor receives $570 and the year after that, in 2010, the cash flows from the investment is -$120. What is the total number of IRRs in this project?
|
1 |
||
|
0 |
||
|
2 |
||
|
3 |
What is the NPV of a project if IRR < discount rate (Assuming that the first cash flow is negative and all of the cash flows from the project are positive)?
|
< 0 |
||
|
> 0 |
||
|
= 0 |
||
|
None |
Which of the following method must be preferred if the number changes in the signs of future cash flows within the project’s economic life is more than one?
|
IRR |
||
|
Payback Period |
||
|
Discounted Payback Period |
||
|
NPV |
In: Finance
The Millennial generation (so called because they were born after 1980 and began to come of age around the year 2000) is less religiously active than older Americans. One of the questions in the General Social Survey in 2010 was "How often does the respondent pray?" Among the 419 respondents in the survey between 18 and 30 years of age, 277 prayed at least once a week. Assume that the sample is an SRS. Use the plus-four method to give a 99% confidence interval (±0.0001) for the proportion of all adults between 18 and 30 years of age who pray at least once a week. 99% confidence interval is from _ to _
In: Math
Read the two articles in the links below about affinity credit cards and schools. After reading these, do you think universities should enter into agreements to offer affinity credit cards to students? Why or why not? Discuss the ethics of such offerings.
http://www.insidehighered.com/news/2010/02/19/credit
https://www.bloomberg.com/news/articles/2007-09-06/the-dirty-secret-of-campus-credit-cardsbusinessweek-business-news-stock-market-and-financial-advice
Also, I challenge each of you to find websites that calculate or explain NPV. What did you find? Anything with light humor? (Subject: Finance)
In: Finance
| PepsiCo Revenues ($ millions), 2005–2010 | ||||||
| Quarter | 2005 | 2006 | 2007 | 2008 | 2009 | 2010 |
| Qtr1 | 6,585 | 7,205 | 7,350 | 8,332 | 8,263 | 9,368 |
| Qtr2 | 7,697 | 8,599 | 9,607 | 10,945 | 10,592 | 14,801 |
| Qtr3 | 8,184 | 8,950 | 10,171 | 11,244 | 11,080 | 15,514 |
| Qtr4 | 10,096 | 10,383 | 12,346 | 12,729 | 13,297 |
18,155 |
(b) State the model found when performing a regression using seasonal binaries. (A negative value should be indicated by a minus sign. Round your answers to 4 decimal places.
yt =___ + _____t +_____ Q1 +_____ Q2 +______ Q3
In: Statistics and Probability
| PepsiCo Revenues ($ millions), 2005–2010 | ||||||
| Quarter | 2005 | 2006 | 2007 | 2008 | 2009 | 2010 |
| Qtr1 | 6,585 | 7,205 | 7,350 | 8,333 | 8,263 | 9,368 |
| Qtr2 | 7,697 | 8,599 | 9,607 | 10,945 | 10,592 | 14,801 |
| Qtr3 | 8,184 | 8,950 | 10,171 | 11,244 | 11,080 | 15,514 |
| Qtr4 | 10,096 | 10,383 | 12,346 | 12,729 | 13,297 |
18,155 |
(b) State the model found when performing a regression using seasonal binaries. (A negative value should be indicated by a minus sign. Round your answers to 4 decimal places.
yt =___ + _____t +_____ Q1 +_____ Q2 +______ Q3
In: Statistics and Probability
Today, April 1st 2020, I put $1000 into the bank. Every month thereafter I added the same amount, plus $20 more than the month before (i.e. $1020, $1040, $1060, etc.) If the sign on the door of my bank says they pay 6% nominal yearly interest, how much will I be able to take out of the bank on January 1st, 2023. Draw a cash-flow diagram.
In: Finance