In: Accounting

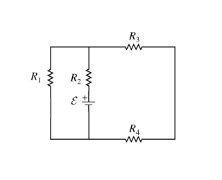
Which of the following relationships must be true according to the laws of series and parallel connections? (Selectonlyrelationships thatmustbe trueaccording to the laws of series and parallel connections, not those that are true in this problem only because of the particular resistances given.)Check all that apply.
\(I_{1}=I_{3}\)
\(I_{3}=I_{4}\)
\(I_{2}=I_{1}+I_{3}\)
\(I_{1}=I_{3}+I_{2}\)
\(\Delta V_{1}=\Delta V_{2}\)
\(\Delta V_{3}=\Delta V_{4}\)
\(\Delta V_{1}=\Delta V_{3}+\Delta V_{4}\)
\(\Delta V_{2}=\Delta V_{3}+\Delta V_{4}\)
\(\Delta V_{1}=\Delta V_{2}+\Delta V_{3}+\Delta V_{4}\)
In: Physics
Which of the following costs are variable?
| Cost | 10,000 Units | 30,000 Units |
| 1. | $100,000 | $300,000 |
| 2. | 40,000 | 240,000 |
| 3. | 90,000 | 90,000 |
| 4. | 50,000 | 150,000 |
| only 1 |
| only 2 |
| 1 and 2 |
| 1 and 4 |
In: Accounting
The reaction between A and B was investigated by a student who claimed to have obtained the following data:
| Trial | [A] (M) | [B] (M) | Rate (M/s) |
| 1 | 0.273 | 0.763 | 2.63 |
| 2 | 0.273 | 1.526 | 6.63 |
| 3 | 0.546 | 0.763 | 4.18 |
What reaction orders for A and B, respectively, did the student obtain from the data?
| A. 3/2, 5/4 |
| B. 2/3, 4/3 |
| C. 3/4, 2/3 |
| D. 4/3, 1/2 |
| E. | 2/3, 1/2 |
In: Chemistry
|
Ross Co., Westerfield, Inc., and Jordan Company announced a new agreement to market their respective products in China on July 18 (7/18), February 12 (2/12), and October 7 (10/7), respectively. Given the information below, calculate the cumulative abnormal return (CAR) for these stocks as a group. Assume all companies have an expected return equal to the market return. (Negative values should be indicated by a minus sign. Leave no cells blank - be certain to enter "0" wherever required. Do not round intermediate calculations. Round your answers to 1 decimal place.) |
| Ross Co. | Westerfield, Inc. | Jordan Company | ||||||||
| Date | Market Return |
Company Return |
Date | Market Return |
Company Return |
Date | Market Return |
Company Return |
||
| 7/12 | –.2 | –.4 | 2/8 | –.7 | –.9 | 10/1 | .3 | .5 | ||
| 7/13 | .1 | .3 | 2/9 | –.8 | –.9 | 10/2 | .2 | .8 | ||
| 7/16 | .6 | .8 | 2/10 | .6 | .4 | 10/3 | .9 | 1.3 | ||
| 7/17 | –.4 | –.2 | 2/11 | .8 | 1.0 | 10/6 | –.1 | −.5 | ||
| 7/18 | –1.9 | 1.3 | 2/12 | –.1 | .1 | 10/7 | –2.4 | −.5 | ||
| 7/19 | –.8 | –.6 | 2/15 | 1.3 | 1.4 | 10/8 | .3 | .3 | ||
| 7/20 | –.9 | –1.0 | 2/16 | .7 | .7 | 10/9 | –.5 | −.4 | ||
| 7/23 | .6 | .4 | 2/17 | –.1 | .0 | 10/10 | .1 | −.1 | ||
| 7/24 | .1 | .0 | 2/18 | .5 | .4 | 10/13 | –.2 | −.6 | ||
| Abnormal returns (Ri – RM) | ||||||
| Days from announcement | Ross | W’field | Jordan | Sum | Average abnormal return | Cumulative average residual |
| −4 | ||||||
| −3 | ||||||
| −2 | ||||||
| −1 | ||||||
| 0 | ||||||
| 1 | ||||||
| 2 | ||||||
| 3 | ||||||
| 4 | ||||||
In: Finance
You have been asked by the CFO of your company to evaluate the proposed expansion project. You collected the following data: Investment outlays: $200,000 ($25,000 for nondepreciable land, $175,000 for equipment) Life of the project: 5 years Depreciation for equipment: Your firm uses an accelerated depreciation method, and the equipment is MACRS (modified accelerated cost recovery system) 3-year property with depreciation rates of 33.33% in Year 1, 44.45% in Year 2, 14.81% in Year 3, and 7.41% in Year 4. Investment in net working capital: $30,000 (= $50,000 in current assets - $20,000 in current liabilities) Annual sales: $220,000 Annual cash operating expenses: $90,000 Income tax rate: 40% At the end of year five, the company will sell off the fixed capital assets for $50,000. At the end of year five, the firm will recover the net working capital investment of $30,000.
What is the total initial investment outlay?
1) $30,000 2) $50,000 3) $200,000 4) $230,000 5) $250,000
What is the depreciation amount in each year?
1) $58,328 in Year 1; $77,788 in Year 2; $25,918 in Year 3; $12,968 in Year 4; 0 in Year 5 2) 0 in Year 1; $58,328 in Year 2; $77,788 in Year 3; $25,918 in Year 4; $12,968 in Year 5 3) $25,918 in Year 1; $77,788 in Year 2; $58,328 in Year 3; $12,968 in Year 4; 0 in Year 5 4) $58,328 in Year 1; $77,788 in Year 2; $45,918 in Year 3; $12,968 in Year 4; $1,000 in Year 5 5) $48,328 in Year 1; $67,788 in Year 2; $35,918 in Year 3; $12,968 in Year 4; $500 in Year 5
What is the total after-tax cash flow in each year?
1) $58,328 in Year 1; $77,788 in Year 2; $25,918 in Year 3; $12,968 in Year 4; $500 in Year 5 2) $101,331 in Year 1; $109,115 in Year 2; $98,367 in Year 3; $93,187 in Year 4; $78,000 in Year 5 3) $43,004 in Year 1; $31,328 in Year 2; $62,450 in Year 3; $70,220 in Year 4; $78,000 in Year 5 4) $71,673 in Year 1; $52,213 in Year 2; $104,083 in Year 3; $117,033 in Year 4; $130,000 in Year 5 5) $101,331 in Year 1; $109,115 in Year 2; $88,367 in Year 3; $83,187 in Year 4; $148,000 in Year 5
What is the modified internal rate of return (MIRR) for the project if the cost of capital is 10%? Would you accept the project under the MIRR rule?
1) Accept the project since the MIRR is 22.71% 2) Accept the project since the MIRR is 15.94% 3) Accept the project since the MIRR is 12.49% 4) Reject the project since the MIRR is 9.53% 5) Reject the project since the MIRR is 9.35%
In: Finance
USING MATLAB
In signal processing applications, the Hankel matrix is useful. The elements of a (N × N) Hankel matrix are given by
h?? =0 ?+?−1>?
=?+?−1 otherwise
Write a script that takes as input from the user an integer, n. Your code should accept input ≥1 and <10. The user should be repeatedly prompted until acceptable input is entered. Next, create n Hankel matrices for N=1,2,...,n. That is, if the user enters 4, you’ll generate 1×1, 2×2, 3×3, and 4×4 Hankel matrices, then display them as shown below (on next page). The spacing doesn’t need to be identical to my answer, but try to get it as close as possible. Hint: Use for loops.
1x1 Hankel matrix:
1
2x2 Hankel matrix:
1 2
2 0
3x3 Hankel matrix:
1 2 3
2 0 0
3 0 0
4x4 Hankel matrix:
1 2 3 4
2 0 0 0
3 0 0 0
4 0 0 0
In: Computer Science
. The data is separated into 3 columns – Deep Breathing,
Visualization, Leisurely Walk. This time, the difference scores are
entered directly. Run the ANOVA Test and
If your test indicates that there is a significant difference among
the means, then do Tukey’s HSD test.( The data does show a
differemce among means) Then give the confidence intervals for the
differences of the means using a family confidence level of
95%.
I need help solving the problem below.
In your own words and in terms of the problem, describe which relaxation methods result in means that are significantly different from each other and, for the relaxation methods that differ, tell which one seems to be more effective than the other.
| Deep Breathing | Visualization | Leisurely Walk | |
| 12 | 15 | 9 | |
| 2 | 1 | 2 | |
| 3 | 2 | 2 | |
| 3 | 2 | 5 | |
| 8 | 0 | -6 | |
| 6 | 3 | 1 | |
| 4 | 3 | 2 | |
| 5 | 2 | 9 | |
| 5 | 4 | 8 | |
| 2 | 3 | 7 | |
| 7 | 12 | 19 | |
| 5 | 8 | 24 | |
| 15 | 18 | 0 | |
| 13 | 3 | 5 | |
| 11 | 2 | 12 | |
| 11 | 16 | 21 | |
| 17 | 13 | 2 | |
| 15 | 14 | -1 | |
| 16 | 4 | 2 | |
| 10 | 6 | 2 | |
| 13 | 5 | 8 | |
| 4 | 3 | -4 | |
| 18 | 9 | -5 | |
| 1 | 0 | -3 | |
| 2 | 3 | -5 | |
| 4 | 2 | -11 | |
| 13 | 6 | 8 | |
| 15 | 6 | -2 | |
| 28 | 4 | 6 | |
| 18 | 4 | 14 | |
| 6 | 11 | 6 | |
| 15 | 2 | -4 | |
| 9 | 4 | -5 | |
| 7 | 12 | ||
| 5 | 16 | ||
| 18 | 4 | ||
| 18 | -2 | ||
| -8 | 2 | ||
| -6 | |||
| -1 |
In: Math
Given the following project: 1. Develop a time limited resource profile chart assuming unlimited resource availability. That is, determine the resource requirement on a weekly basis if the project is to be completed in the minimum time. 2. Develop a resource-constrained schedule using the sequential heuristic.
|
Activity |
Predecessor |
Duration (week) |
Required No. of Workers |
|
1 |
- |
3 |
2 |
|
2 |
- |
2 |
1 |
|
3 |
2 |
3 |
2 |
|
4 |
2,5 |
4 |
2 |
|
5 |
1 |
4 |
1 |
|
6 |
3,4,1 |
3 |
1 |
|
7 |
3 |
4 |
2 |
|
8 |
5 |
3 |
1 |
Assume the followings:
The available resource is three units
In: Operations Management
Using the mtcars dataset, answer the following questions:
Fill in the following table:
|
Variable |
Correlation with mpg |
|
cyl |
-0.85216 |
|
disp |
-0.84755 |
|
hp |
-0.77617 |
|
drat |
0.681172 |
|
wt |
-0.86766 |
|
qsec |
0.418684 |
|
vs |
0.664039 |
|
am |
0.599832 |
|
gear |
0.480285 |
|
carb |
-0.55093 |
| mpg | cyl | disp | hp | drat | wt | qsec | vs | am | gear | carb | ||
| Mazda RX4 | 21 | 6 | 160 | 110 | 3.9 | 2.62 | 16.46 | 0 | 1 | 4 | 4 | |
| Mazda RX4 Wag | 21 | 6 | 160 | 110 | 3.9 | 2.875 | 17.02 | 0 | 1 | 4 | 4 | |
| Datsun 710 | 22.8 | 4 | 108 | 93 | 3.85 | 2.32 | 18.61 | 1 | 1 | 4 | 1 | |
| Hornet 4 Drive | 21.4 | 6 | 258 | 110 | 3.08 | 3.215 | 19.44 | 1 | 0 | 3 | 1 | |
| Hornet Sportabout | 18.7 | 8 | 360 | 175 | 3.15 | 3.44 | 17.02 | 0 | 0 | 3 | 2 | |
| Valiant | 18.1 | 6 | 225 | 105 | 2.76 | 3.46 | 20.22 | 1 | 0 | 3 | 1 | |
| Duster 360 | 14.3 | 8 | 360 | 245 | 3.21 | 3.57 | 15.84 | 0 | 0 | 3 | 4 | |
| Merc 240D | 24.4 | 4 | 146.7 | 62 | 3.69 | 3.19 | 20 | 1 | 0 | 4 | 2 | |
| Merc 230 | 22.8 | 4 | 140.8 | 95 | 3.92 | 3.15 | 22.9 | 1 | 0 | 4 | 2 | |
| Merc 280 | 19.2 | 6 | 167.6 | 123 | 3.92 | 3.44 | 18.3 | 1 | 0 | 4 | 4 | |
| Merc 280C | 17.8 | 6 | 167.6 | 123 | 3.92 | 3.44 | 18.9 | 1 | 0 | 4 | 4 | |
| Merc 450SE | 16.4 | 8 | 275.8 | 180 | 3.07 | 4.07 | 17.4 | 0 | 0 | 3 | 3 | |
| Merc 450SL | 17.3 | 8 | 275.8 | 180 | 3.07 | 3.73 | 17.6 | 0 | 0 | 3 | 3 | |
| Merc 450SLC | 15.2 | 8 | 275.8 | 180 | 3.07 | 3.78 | 18 | 0 | 0 | 3 | 3 | |
| Cadillac Fleetwood | 10.4 | 8 | 472 | 205 | 2.93 | 5.25 | 17.98 | 0 | 0 | 3 | 4 | |
| Lincoln Continental | 10.4 | 8 | 460 | 215 | 3 | 5.424 | 17.82 | 0 | 0 | 3 | 4 | |
| Chrysler Imperial | 14.7 | 8 | 440 | 230 | 3.23 | 5.345 | 17.42 | 0 | 0 | 3 | 4 | |
| Fiat 128 | 32.4 | 4 | 78.7 | 66 | 4.08 | 2.2 | 19.47 | 1 | 1 | 4 | 1 | |
| Honda Civic | 30.4 | 4 | 75.7 | 52 | 4.93 | 1.615 | 18.52 | 1 | 1 | 4 | 2 | |
| Toyota Corolla | 33.9 | 4 | 71.1 | 65 | 4.22 | 1.835 | 19.9 | 1 | 1 | 4 | 1 | |
| Toyota Corona | 21.5 | 4 | 120.1 | 97 | 3.7 | 2.465 | 20.01 | 1 | 0 | 3 | 1 | |
| Dodge Challenger | 15.5 | 8 | 318 | 150 | 2.76 | 3.52 | 16.87 | 0 | 0 | 3 | 2 | |
| AMC Javelin | 15.2 | 8 | 304 | 150 | 3.15 | 3.435 | 17.3 | 0 | 0 | 3 | 2 | |
| Camaro Z28 | 13.3 | 8 | 350 | 245 | 3.73 | 3.84 | 15.41 | 0 | 0 | 3 | 4 | |
| Pontiac Firebird | 19.2 | 8 | 400 | 175 | 3.08 | 3.845 | 17.05 | 0 | 0 | 3 | 2 | |
| Fiat X1-9 | 27.3 | 4 | 79 | 66 | 4.08 | 1.935 | 18.9 | 1 | 1 | 4 | 1 | |
| Porsche 914-2 | 26 | 4 | 120.3 | 91 | 4.43 | 2.14 | 16.7 | 0 | 1 | 5 | 2 | |
| Lotus Europa | 30.4 | 4 | 95.1 | 113 | 3.77 | 1.513 | 16.9 | 1 | 1 | 5 | 2 | |
| Ford Pantera L | 15.8 | 8 | 351 | 264 | 4.22 | 3.17 | 14.5 | 0 | 1 | 5 | 4 | |
| Ferrari Dino | 19.7 | 6 | 145 | 175 | 3.62 | 2.77 | 15.5 | 0 | 1 | 5 | 6 | |
| Maserati Bora | 15 | 8 | 301 | 335 | 3.54 | 3.57 | 14.6 | 0 | 1 | 5 | 8 | |
| Volvo 142E | 21.4 | 4 | 121 | 109 | 4.11 | 2.78 | 18.6 | 1 | 1 | 4 | 2 | |
| correlation | -0.85216 | -0.84755 | -0.77617 | 0.681172 | -0.86766 | 0.418684 | 0.664039 | 0.599832 | 0.480285 | -0.55093 |
Which of the variables is the best predictor of mpg? Justify your answer using the correlation coefficient and a scatterplot.
Fit a regression model based on your answer to question 2. Write your model below.
Is the slope significant? Justify your answer.
Interpret the slope of your regression model.
Interpret the r2 value.
Do you believe your model is a good model for predicting mpg? Justify your answer.
In: Math